
KG-AOM-1550-40M-P2-FA | 1550 Series Acousto-Optic Modulator
The KG-AOM-1550-40M-P2-FA is an acousto-optic modulator based on tellurium dioxide (TeO2) material, featuring low insertion loss and stable physicochemical properties, and is therefore widely used in fiber optic sensing, Q-switched laser systems, pulse shaping, and intensity modulation applications.
Application field
-
Fiber Optic Sensing
-
Optical Q-Switching System
-
Pulse Shaping
-
Intensity Modulation
Performance parameters
|
Model: KG-AOM-1550-40M-P2-FA |
|||||
|
Parameter |
Unit |
Min |
Max |
Typical |
Comments |
|
Material |
|
|
|
TeO2 |
|
|
Wavelength |
nm |
1530 |
1580 |
1550 |
|
|
Average optical power handling |
W |
|
0.5 |
|
|
|
Peak (pulse) optical power handling |
kW |
|
0.5 |
|
|
|
Ultrasonic Velocity |
m/s |
|
|
4200 |
|
|
Insertion Loss |
dB |
|
|
2.5 |
|
|
PER |
dB |
- |
- |
- |
|
|
ER(1st order on / off) |
dB |
50 |
|
|
|
|
Return Loss (RF ON) |
dB |
40 |
|
|
|
|
Rise-time / Fall-time: |
ns |
|
60 |
|
(10% - 90%) |
|
Frequency |
MHz |
|
|
40 |
|
|
Frequency Shift |
MHz |
|
|
+40 |
Default+40,Customizable-40 |
|
Radio Frequency Power |
W |
|
|
2.5 |
|
|
VSWR |
|
|
|
1.2:1 |
|
|
Input Impedance |
Ω |
|
|
50 |
|
|
Device Interface |
|
|
|
SMA |
|
|
Fibre Type |
|
|
|
PM1550 |
|
|
Fibre Length |
m |
|
|
1 |
|
|
Fibre Termination |
|
|
|
FC/APC |
|
|
Working temperature |
℃ |
|
|
-20~60 |
|
|
Storage Temperature |
℃ |
|
|
-30~70 |
|
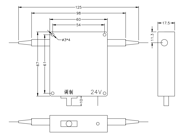
Package size
1550nm Structural Dimension Drawing
Order Information
KG
AOM
XX
XXX
XX
XX
Modulator Type:
AOM---Acousto-optic modulator
Operating Wavelength:
15---1550nm
Center frequency:
40M---40MHz
Fiber optic type:
P---PMF
S---SMF
Connector:
FA---FC/APC
FP---FC/PC
SP---User-specified
*If you have special requirements, please contact our sales staff
|
KG |
AOM |
XX |
XXX |
XX |
XX |
|
|
Modulator Type: AOM---Acousto-optic modulator |
Operating Wavelength: 15---1550nm |
Center frequency: 40M---40MHz |
Fiber optic type: P---PMF S---SMF |
Connector: FA---FC/APC FP---FC/PC SP---User-specified |
*If you have special requirements, please contact our sales staff



















