
KG-AM-15 系列1550nm模拟电光强度调制器
产品描述:
基于M-Z推挽结构的LiNbO3电光强度调制器具有较低的半波电压和稳定的物理化学特性,且器件具有较高的响应速率,KG-AM-15系列是针对1550nm波段设计的模拟电光强度调制器,2.5G\10G\20G\40G速率可选,被广泛的应用于高速光通信系统、光调Q系统、激光锁模和光纤传感等领域。
产品特点:
低插入损耗
高带宽~28GHz
低半波电压
客户定制
应用领域:
ROF系统
量子密钥分发
光纤传感
高速光通信
产品型号:
产品型号
KG-AM-15-2.5G
KG-AM-15-10G
KG-AM-15-20G
KG-AM-15-40G
工作波长
1550nm±25nm
3dB 带宽 (典型值)
2.5GHz
10GHz
18GHz
28GHz
插入损耗
<4.5dB
<4.5dB
<4.5dB
<4.5dB
开关消光比 @DC
>20dB
>20dB
>20dB
>20dB
RF端 VΠ @ 1KHz
<3.5V
<5V
<5.5V
<5.5V
Bias 端VΠ @1KHz
<5V
<7V
<7V
<7V
性能参数:
产品型号
KG-AM-15-2.5G
KG-AM-15-10G
KG-AM-15-20G
KG-AM-15-40G
工作波长
1550nm±25nm
3dB 带宽 (典型值)
2.5GHz
10GHz
18GHz
28GHz
插入损耗
<4.5dB
<4.5dB
<4.5dB
<4.5dB
开关消光比 @DC
>20dB
>20dB
>20dB
>20dB
RF端 VΠ @ 1KHz
<3.5V
<5V
<5V
<5V
Bias 端VΠ @1KHz
<5V
<7V
<7V
<7V
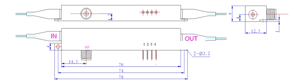
封装尺寸:

1:GND
2:BIAS
3: Photodiode cathode
4:Photodiode anode
注:PD可不加电压直接使用。如需要加电使用,需3接“+”,4接“-”极,此为反偏电压,其电压值不得大于15V。
订货信息:
|
KG |
AM |
W |
B |
F |
C |
|
|
AM---模拟强度调制器 |
波长: 15---1550nm |
3dB带宽: 2.5G---2.5GHz 10G---10GHz
20G---20GHz |
输入/输出光纤: PP---PMF/PMF PS---PMF/SMF
|
光纤接头: FA---FC/APC FP---FC/PC SP---客户定制 |
如有特殊需求,请联系我们销售人员


































